Резервуары и металлоконструкции
от завода-производителя

Доставка по всей России!

slide-s02

Воздухосборник-ресивер для кислорода

Воздухосборник-ресивер для кислорода имеет прямое назначения хранения под определенным давлением или передачи в различные системы газообразных сред. Завод резервуаров и негабаритных металлоконструкций рекомендует приобретать только качественное оборудование, производимое на проверенных материалах, с соблюдением норм международного характера по конструкционным стандартам, а также требованиями к безопасности.

Применение резервуаров воздухозаборников

Кислород, в обычном состоянии представляющий собой газ, для промышленных целей хранится в сжиженном виде, под давлением не менее 16 МПа. В этом случае требуется внедрение определенных емкостей, соответствующих по применению и нормам безопасности современным стандартам. Обычной сферой использования ресиверов, одновременно являющихся воздухосборниками можно назвать следующие направления:

  • сложные технологические цепочки, состоящие из нескольких резервуаров и ряда вспомогательных конструкций;
  • нефтегазовый комплекс;
  • в химической промышленности для различных синтетических операций;
  • металлургическая и сталелитейная промышленность;
  • изготовление минеральных удобрений.

Достаточно широкий спектр возможностей применения создает значительный спрос на подобные агрегаты. Поставщик гарантирует высококачественное исполнение, которое в первую очередь зависит от подбора специализированного материала.

Ресивер для кислорода - конструктив

Корпус изготавливается из сварных конструкций (цилиндр и два эллиптических днища) определенных сортов стали. Как правило, это марки 09Г2с и 10Г2С1 для районов эксплуатации с пониженными температурными показателями, а также стали типа Ст3сп и Ст3пс для умеренных климатов.

Схема будущего резервуара проектируется по потребностям потребителя, но с соблюдением норм ТУ 3615-002-00217314-99 или ТУ 4591-001-72081725. 

Стандартизированные размеры воздухозаборников для кислорода выглядят следующим образом:

Объем (м3)

Диаметр (мм)

Высота (мм)

Масса (кг)

ресивера

цилиндра корпуса

0,5

600

2000

1500

295

1

800

2340

1700

415

1,6

1000

2300

1600

695

2

2900

2200

800

3,2

1200

3160

2300

1195

4

3860

3000

1385

6,3

1400

4565

3600

1830

8

1600

4415

3300

1995

10

5515

4400

2445

16

2000

5520

4200

3785

20

6870

5400

4455

25

2200

7155

5600

5285

32

2400

7775

6000

7395

40

9775

8000

9695

50

11775

10000

11705

Характеристики, на которые стоит также обратить внимание, следующие:

  • рабочая температура в пределах от -55 до +70 °C;
  • выдерживаемые температуры размещаемой среды от -60 до +300 °C;
  • максимальный номинальный объем емкости составляет не более 200 м3;
  • категория взрывоопасности – Т1-IIC.

Поставщик предлагает вертикальное или горизонтальное исполнение – в зависимости от возможностей размещения. Резервуар может работать отдельным узлом, либо в совокупности нескольких идентичных ресиверов, с возможностью точной настройки эксплуатации.

Производство и разработка емкостей воздухозаборников любой сложности

Завод РиНМ предлагает высококачественное оборудование, внедряемое в ответственные узлы. Специалисты поставщика предлагают услуги по проектированию отдельных элементов систем хранения разнообразных газовых сред, а также больших комплексных схем, эксплуатирующих ресиверное оборудование. Воздухосборник-ресивер для кислорода, изготовленный на мощностях производителя – надежное, функциональное устройство.


Преимущества

  • Цены от производителя

  • Гарантия качества

  • Комплектация объектов под ключ

  • Производим монтаж/демонтаж

  • Оперативная доставка в любой регион

  • Быстрые сроки поставки,
    четкое соблюдение сроков

  • Персональный подход

  • Гарантийное обслуживание

  • Разработка КМД от 2-х
    рабочих дней

  • Составление КП от 15 минут

Подготовим коммерческое предложение
с учетом ваших индивидуальных технических требований

Скачать опросный лист

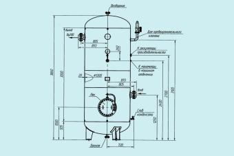
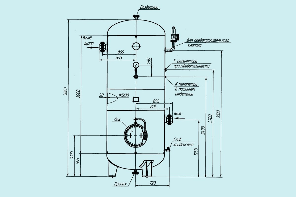
Чертеж

Чертеж Воздухосборник-ресивер для кислорода

Доставка

Чтобы избавить Вас от необходимости поиска логистической компании, мы готовы взять на себя работу по осуществлению доставки оборудования на Ваш объект.

Преимущества осуществления доставки при помощи нашей компании:

  • Работа только с проверенными временем подрядчиками
  • Четкое соблюдение сроков
  • Разумные цены
  • При необходимости, груз можно застраховать
  • Стоимость услуги рассчитывается индивидуально, в зависимости от региона доставки и объема груза.

Свяжитесь с нашим менеджером по телефону или через форму сайта и мы подготовим для Вас расчет.

Скачать опросный лист